学术聚焦
当前位置: 首页 > 学术聚焦 > 正文

化工学院毕荣山副教授团队在TDI热光气化反应方面取得新进展

作者:齐建光、毕荣山 来源:化工学院 责任编辑:秦洪庆终审: 点击: 日期:2022-08-26

甲苯二异氰酸酯(TDI)是生产聚氨酯的重要材料之一,在泡沫塑料、弹性体、涂料和粘合剂等领域具有广泛应用,国内外TDI工业化大都通过冷光气化和热光气化两步反应合成。目前绝大部分研究集中在冷光气化步骤,而对热光气化反应研究较少。热光气化反应过程速率较慢且伴随复杂副反应的发生,是一个能源密集型复杂的反应精馏过程,其性能的好坏对整个反应系统的选择性和收率具有重要影响,因此对该步骤进行优化具有重要意义。

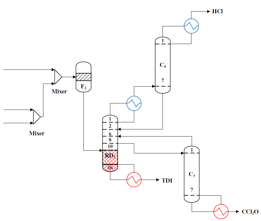
图1甲苯二异氰酸酯反应精馏塔与侧线汽提塔耦合工艺

图2热光气化工艺流程灵敏度分析和参数优化

在传统工业工艺中,“高能耗、高投资”的问题还没有从根本上解决,迫切需要通过工艺强化技术找到解决这一问题的有效途径。在此基础上,毕荣山副教授团队开发了反应精馏塔与侧线汽提塔耦合技术路线,通过对比两种工艺的能耗和经济性,验证了热耦合工艺的优越性,新技术路线冷热能耗分别节约32.78%和7.29%,年总生产成本降低约17.11%。

该工作以“Simulation and optimization of the thermally coupled reactive distillation column for producing toluene diisocynate”为题发表于化工领域TOP期刊AIChE Journal上,论文链接为https://aiche.onlinelibrary.wiley.com/doi/epdf/10.1002/aic.17648。AIChE Journal为化工传统三大期刊之首,该论文为近5年伟德国际1949始于英国化工学院为唯一通讯单位在该期刊上发表的唯一一篇文章,化工学院毕荣山副教授为论文的第一作者和通讯作者,该研究得到了国家重点研发计划和山东省自然科学基金的资助。

  • 崂山校区:

    山东省青岛市松岭路99号

  • 四方校区:

    山东省青岛市郑州路53号

  • 中德国际合作区(中德校区):

    山东省青岛市西海岸新区小清河路6号

  • 高密校区:

    山东省高密市杏坛西街1号

  • 济南校区:

    山东省济南市文化东路80号

  • 教科产融合学院(淄博教科产融合基地):

    山东省淄博市周村区联通路(西段)5188号

   鲁ICP备05001948号-1   鲁公网安备 37021202000007号   
©2023 伟德国际1949始于英国